DESCRIPCIÓN DEL MONTAJE
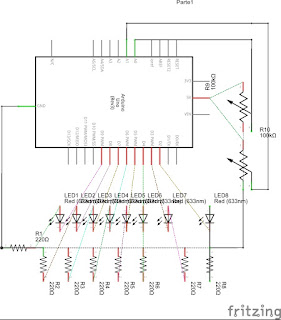
El objetivo de este laboratorio consiste en leer datos. en este caso utilizando dos Potenciometros.los datos serán el tiempo de encendió y de apagado proporcionado por los Potenciometros, para una secuencia de 8 LEDs, que se moverán de izquierda a derecha y viceversa.
MATERIALES
- Computador con el IDE de Arduino
- Tarjeta de Arduino Nano
- Cable USB, COM5
- Protoboard
- 2 Potenciometros de 10 KΩ
- Cables Macho-Macho
- 8 LEDs + Resistencias de 220 Ω
PROCESO DEL MONTAJE
![]() |
1) Se conectan los dispositivos respectivos al Protoboard |
2) Se realizan las respectivas conexiones del circuito a la placa de Arduino
3) Se sube el programa a la placa de Arduino y se comprueba que el circuito funcione correctamente
DIAGRAMAS DEL MONTAJE
DIAGRAMA PROTOBOARD
CÓDIGO FUENTE























